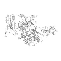
WTM 250

 

 

 

Rahmen

Anmerkung:

Bitte beachten Sie, dass die Zeichnungen Teile enthalten können, die nicht in der Ersatzteil-Liste aufgelistet sind.

Diese Teile können nicht einzeln bestellt werden!

PosArtikel-Nr.BenennungSerien-Nr.Bild
4W342600853ET-BLECH-SEITEalle 
5W342600854ET-RAHMENalle 
6W342600880ET-SCHUTZ-PEDALalle 
7W342600879ET-TRAEGER-PEDALalle 
9W342600883ET-TRAEGER-PEDALalle 
11W342600068ET-HALTER-SCHMIERUNGalle 
12W342600159ET-FUSSalle 
13W342600205ET-HEBEL-DRUCKalle 
14W342600160ET-HALTER-RADalle 

Arm waagrecht und senkrecht

Anmerkung:

Bitte beachten Sie, dass die Zeichnungen Teile enthalten können, die nicht in der Ersatzteil-Liste aufgelistet sind.

Diese Teile können nicht einzeln bestellt werden!

PosArtikel-Nr.BenennungSerien-Nr.Bild
1W342600954ET-GRIFF-SPERREalle 
6W342600955ET-ABDECKUNG-KUNSTSTOFFalle 
7W342600018ET-SET-ARMSTEUERUNGalle 
8W342600337ET-KAPPE-DAEMPFERalle 
9W342600956ET-ARM-HEX-SW36-L620alle 
10W342600957ET-ARM-HORIZONTALalle 
12W342600506ET-KUPPLUNG-1/8ZOalle 
13W342600170ET-FEDERalle 
14W342600958ET-DAEMPFERalle 
17W342600959ET-BLECH-ARM-FIXIERUNGalle 
19W342600960ET-FEDERalle 
20W342600126ET-GRIFF-ARMalle 
22W342600961ET-DECKEL-OBENalle 
25W342600603ET-GEHAEUSE-ZYLINDER-D60alle 
27W342600601ET-O-RINGalle 
28W342600602ET-KOLBEN-D60alle 
29W342600081ET-ZYLINDER-SPERREalle 
30W342600503ET-KUPPLUNG-1/8ZOalle 
31W342600215ET-SCHLAUCH-4X2-L220alle 
32W342600214ET-SCHLAUCH-4X2,7-L2200alle 
33W342600182ET-FUEHRUNGalle 
34W342600283ET-SCHRAUBE-M12X60alle 
35W342600571ET-FEDER-26X25alle 
37W342600261ET-HAKENalle 
38W342600282ET-KLAMMERalle 
42W342600140ET-SCHEIBEalle 
43W342600504ET-KUPPLUNG-1/8ZOalle 
44W342600500ET-KUPPLUNG-1/8ZOalle 
46W342600538ET-KUPPLUNG-SCHNELL-1/8ZOalle 
48W342600962ET-ARM-VERTIKALalle 
49W342600146ET-STIFT-M12X50alle 
50W342600537ET-KUPPLUNG-SCHNELL-1/8ZOalle 
51W342600144ET-SCHLAUCH-6X4-L1200alle 
52W342600143ET-SCHLAUCH-6X4-L840alle 
53W342600014ET-ZYLINDER-KIPPENalle 
54W342600007ET-ZYLINDER-KIPPENalle 
55W342600183ET-STANGE-ZYLINDER-L309alle 
56W342600468ET-RING-DIN471-30alle 
58W342600173ET-FLANSCHalle 
59W342600469ET-RING-GUMMIalle 
60W342600599ET-O-RING-D20,29XH2,62alle 
61W342600593ET-O-RING-D68,26XH3,53alle 
63W342600218ET-GEHAEUSE-ZYLINDER-20ZO-L135alle 
64W342600526ET-KOLBEN-D75alle 
66W342600252ET-DISTANZSTUECKalle 
67W342600172ET-FLANSCHalle 
72W342600881ET-TRAEGER-ARMalle 
77W342600256ET-SCHUTZ-VORNEalle 

4 Fußsteuervorrichtung

Anmerkung:

Bitte beachten Sie, dass die Zeichnungen Teile enthalten können, die nicht in der Ersatzteil-Liste aufgelistet sind.

Diese Teile können nicht einzeln bestellt werden!

PosArtikel-Nr.BenennungSerien-Nr.Bild
1W342600190ET-AUFKLEBERalle 
4W342600009ET-KABEL-MASSE-L340alle 
5W342600279ET-HALTER-WINKELalle 
9W342600164ET-PEDAL-WECHSELalle 
10W342600278ET-STANGEalle 
11W342600963ET-HEBEL-DRUCKalle 
15W342600775ET-RING-DIN471-12alle 
17W342600852ET-SPERRE-KABELDURCHGANG-D9alle 
18W342600001ET-KABEL-L1500alle 
18 AW342600964ET-KABELalle 
19W342600280ET-HALTER-WINKELalle 
20W342600838ET-SCHALTER-32Aalle 
21W342600002ET-KABEL-3PHalle 
21 AW342600965ET-KABEL-1PHalle 
22W342600966ET-SCHALTER-3PHalle 
22 AW342600967ET-SCHALTER-1PHalle 
23W342600968ET-PEDAL-ZSBalle 
24W342600969ET-FEDER-PEDALalle 
25W342600167ET-RAHMEN-PEDALalle 
26W342600165ET-PEDAL-TISCHalle 
27W342600166ET-PEDAL-KIPPENalle 
28W342600187ET-STIFT-L337alle 
29W342600213ET-BUCHSE-D18X12,5X21alle 
32W342600132ET-FEDER-PEDALalle 
34W342600970ET-VENTILalle 
35W342600005ET-VENTILalle 
36W342600006ET-VENTIL-KIPPENalle 
37W342600178ET-STIFTalle 
38W342600718ET-STIFT-4X24-ISO8752alle 
39W342600004ET-VENTILalle 
40W342600522ET-ANSCHLUSS-6410-1/8ZO-8alle 
41W342600466ET-SCHLAUCH-8X6-L750alle 
42W342600149ET-SCHLAUCH-8X6-L1000alle 
43W342600133ET-SCHLAUCH-6X4-L480alle 
44W342600179ET-SCHLAUCH-8X6-L100alle 
45W342600177ET-STIFTalle 
46W342600542ET-DAEMPFER-SCHALL-1/8ZOalle 
47W342600534ET-KUPPLUNG-SCHNELL-1/8ZO-8alle 
48W342600135ET-SCHLAUCH-8X6-L350alle 
49W342600604ET-FUEHRUNG-PLEUELalle 
51W342600785ET-FEDER-8,2X18X1alle 
52W342600606ET-STANGE-PLEUELalle 
53W342600605ET-FEDER-GABELalle 
56W342600607ET-FUEHRUNG-NOCKEalle 
57W342600144ET-SCHLAUCH-6X4-L1200alle 
58W342600136ET-SCHLAUCH-6X4-L750alle 
59W342600141ET-SCHLAUCH-6X4-L2200alle 
63W342600537ET-KUPPLUNG-SCHNELL-1/8ZOalle 
65W342600153ET-VENTILalle 
66W342600597ET-O-RING-D9,8XH3,85alle 
67W342600154ET-DISTANZSTUECKalle 
68W342600155ET-FLANSCHalle 
70W342600517ET-ANSCHLUSS-SCHNELLalle 
71W342600536ET-KUPPLUNG-SCHNELL-1/8ZO-8alle 
72W342600099ET-HALTERUNG-WECHSLERalle 

Wulstabdrueckvorrichtung

Anmerkung:

Bitte beachten Sie, dass die Zeichnungen Teile enthalten können, die nicht in der Ersatzteil-Liste aufgelistet sind.

Diese Teile können nicht einzeln bestellt werden!

PosArtikel-Nr.BenennungSerien-Nr.Bild
1W342600971ET-ZYLINDER-ABDRUECKER-ZSBalle 
3W342601019ET-SCHEIBEalle 
4W342600972ET-FEDERalle 
6W342600973ET-KOLBENalle 
7W342601053ET-RINGalle 
8W342600974ET-STANGE-KOLBEN-D16L465alle 
10W342600975ET-ZYLINDER-ABDRUECKERalle 
12W342600130ET-BUCHSEalle 
13W342600133ET-SCHLAUCH-6X4-L480alle 
14W342600537ET-KUPPLUNG-SCHNELL-1/8ZOalle 
15W342600976ET-DAEMPFER-16,5X59X5alle 
16W342600523ET-DAEMPFER-1/4ZOalle 
17W342600543ET-VENTIL-SCHNELL-1/4ZOalle 
18W342600129ET-FEDER-ARMalle 
20W342600977ET-ARM-ABDRUECKERalle 
22W342600817ET-RING-DIN471-30alle 
23W342600978ET-STIFT-D16alle 
24W342600815ET-RING-DIN471-20alle 
25W342600608ET-GRIFF-KUGEL-D14alle 
26W342601011ET-SCHAUFELalle 
32W342601048ET-RINGalle 
33W342600979ET-SCHEIBEalle 

Montierwerkzeuge

Anmerkung:

Bitte beachten Sie, dass die Zeichnungen Teile enthalten können, die nicht in der Ersatzteil-Liste aufgelistet sind.

Diese Teile können nicht einzeln bestellt werden!

PosArtikel-Nr.BenennungSerien-Nr.Bild
5W342600198ET-SCHUTZ-KUNSTSTOFFalle 
7W342600232ET-STIFT-D5-M6-L26alle 
11W342600980ET-SCHUTZ-KUNSTSTOFFalle 
12W342600036ET-WERKZEUG-MONTAGEalle 

Selbstzentriertisch für Motorradräder

Anmerkung:

Bitte beachten Sie, dass die Zeichnungen Teile enthalten können, die nicht in der Ersatzteil-Liste aufgelistet sind.

Diese Teile können nicht einzeln bestellt werden!

PosArtikel-Nr.BenennungSerien-Nr.Bild
1W342600997ET-ZYLINDERalle 
2W342601004ET-FLANSCHalle 
3W342601038ET-PLATTEalle 
4W342601009ET-VERBINDUNGalle 
5W342601040ET-SCHLAUCH-8X6L170alle 
6W342601010ET-KLAUEalle 
7W342601035ET-SCHLITTENalle 
8W342600209ET-DISTANZSTUECK-12X18X45alle 
9W342601029ET-FUEHRUNGalle 
10W342601030ET-PLATTEalle 
11W342601031ET-STIFTalle 
12W342601041ET-SCHUTZalle 
13W342601049ET-GRIFFalle 
14W342601051ET-EINSATZalle 
15W342601052ET-KEILalle 
18W342600644ET-RING-DIN471-85alle 
25W342600999ET-PLATTE-ZSBalle 
27W342600128ET-DISTANZSTUECK-12X18X11,5alle 
28W342601034ET-KABELalle 
29W342601045ET-ANSCHLUSSalle 
30W342600981ET-KUPPLUNG-ROTATIONalle 
31W342600286ET-RINGalle 
32W342600466ET-SCHLAUCH-8X6-L750alle 
33W342600148ET-SCHLAUCH-8X6-L240alle 
34W342600303ET-SCHLAUCH-SPIRAL-8X6-L560alle 
35W342600994ET-SCHLAUCHalle 
36W342600127ET-SCHUTZalle 
39W342600172ET-FLANSCHalle 
40W342600173ET-FLANSCHalle 
41W342601027ET-SCHRAUBE-SPEZIALalle 
42W342600216ET-GEHAEUSE-ZYLINDER-17,5ZO-L265,5alle 
43W342600171ET-STANGE-ZYLINDER-17,5ZO-L316alle 
44W342600468ET-RING-DIN471-30alle 
46W342600469ET-RING-GUMMIalle 
47W342600526ET-KOLBEN-D75alle 
49W342600202ET-DISTANZSTUECKalle 
51W342600593ET-O-RING-D68,26XH3,53alle 
52W342601055ET-STIFTalle 
53W342601044ET-ANSCHLUSSalle 
55W342601073ET-KLAUE-ADAPTERalle 
56W342601074ET-KLAUE-ADAPTER-XLalle 
57W342601000ET-KLAUE-ZSBalle 
59W342601037ET-KLAUE-XLalle 
61W342601012ET-ADAPTERalle 
62W342601013ET-ADAPTER-KURZalle 
63W342600203ET-DISTANZSTUECKalle 
66W342600273ET-NABEalle 

Motor-Verminderer Gruppe

Anmerkung:

Bitte beachten Sie, dass die Zeichnungen Teile enthalten können, die nicht in der Ersatzteil-Liste aufgelistet sind.

Diese Teile können nicht einzeln bestellt werden!

PosArtikel-Nr.BenennungSerien-Nr.Bild
1W342600026ET-GEHAEUSE-GETRIEBEalle 
2W342600242ET-GEHAEUSE-GETRIEBEalle 
3W342600584ET-UNTERLAGE-60X110X22alle 
4W342600244ET-WELLE-SCHNECKEalle 
5W342600583ET-LAGERalle 
6W342600247ET-KAPPE-DICHTUNGalle 
7W342600582ET-O-RING-D34,52XH3,53alle 
9W342600581ET-O-RING-D20XD35XH10alle 
12W342600240ET-ZAHNRAD-UNTERSETZUNGalle 
16W342600245ET-ZAHNRADalle 
17W342600668ET-RING-DIN471-60alle 
18W342600246ET-WELLEalle 
20W342600580ET-LAGER-60X110X22alle 
21W342600243ET-GEHAEUSE-GETRIEBEalle 
22W342600241ET-ZAHNRAD-ANTRIEBalle 
24W342600579ET-RIEMENalle 
25W342600988ET-BLECH-WINKELalle 
30W342600989ET-LAGER-MOTORalle 
33W342600137ET-LAGER-MOTORalle 
36W342600138ET-HALTER-SPANNERalle 
37W342600850ET-MOTOR-1PH-230V-50/60HZalle 
37 AW342600851ET-MOTOR-3PH-230/400V-50HZalle 
37 BW342600849ET-MOTOR-3PH-400V-50HZ-B3alle 
37 CW342600846ET-MOTOR-1PH-115Valle 
38W342600665ET-RING-DIN471-50alle 
40W342600158ET-SCHRAUBE-VENTILalle 
43W342600990ET-SCHEIBE-ANTRIEBalle 

Luft Schmiergruppe

Anmerkung:

Bitte beachten Sie, dass die Zeichnungen Teile enthalten können, die nicht in der Ersatzteil-Liste aufgelistet sind.

Diese Teile können nicht einzeln bestellt werden!

PosArtikel-Nr.BenennungSerien-Nr.Bild
1W342600513ET-REGLER-DRUCK-1/4ZO-0-3,5BARalle 
2W342600515ET-VENTIL-1/8ZO-4BARalle 
3W342600528ET-KUPPLUNG-SCHNELL-1/4ZOalle 
4W342600025ET-REGLER-4BARalle 
5W342600516ET-ANSCHLUSS-6520-1/4ZO-8-6alle 
6W342600545ET-KUPPLUNG-9AM-1/4ZOalle 
7W342600488ET-OELEINHEIT-SCHAUGLASalle 
8W342600487ET-OELEINHEIT-KOPFalle 
9W342600492ET-OELEINHEIT-1/4ZOalle 
10W342600524ET-ANSCHLUSS-2070-1/4ZOalle 
11W342600511ET-VENTIL-400-1/4ZO-FFalle 
12W342600554ET-KUPPLUNG-1/4ZOalle 
13W342600527ET-KUPPLUNG-SCHNELL-1/4ZOalle 
14W342600028ET-WARTUNGSEINHEITalle 
15W342600533ET-REGLER-1/4ZO-0,5-12BARalle 
16W342600528ET-KUPPLUNG-SCHNELL-1/4ZOalle 
17W341600054ZB-REIFENFUELLER-RFNMNTGMA-WTM100alle